Магазин запчастей для бытовой техники - Arlos
Москва
close
Выберите ваш регион
АбаканАлександровАльметьевскАнгарскАрзамасАрмавирАртемАрхангельскАстраханьАчинскБалаковоБалашихаБеларусьБелгородБердскБерезникиБийскБлаговещенскБратскБрянскВеликий НовгородВидноеВладивостокВладикавказВладимирВолгоградВолгодонскВолжскийВологдаВолховВоркутаВоронежВоскресенскВыборгГатчинаГеленджикГрозныйДедовскДербентДзержинскДзержинскийДимитровградДмитровДолгопрудныйДомодедовоДонецкЕвпаторияЕгорьевскЕкатеринбургЕлецЕссентукиЖелезногорскЖелезнодорожныйЖуковскийЗеленоградЗлатоустИвановоИвантеевкаИжевскИркутскИстраЙошкар-ОлаКазаньКалининградКалугаКаменск-УральскийКамышинКаспийскКемеровоКерчьКировКисловодскКлинКовровКоломнаКомсомольск-на-АмуреКопейскКоролёвКостромаКотельникиКрасногорскКраснодарКраснознаменскКрасноярскКурганКурскКызылЛенинск-КузнецкийЛипецкЛобняЛыткариноЛюберцыМагнитогорскМайкопМалаховкаМахачкалаМиассМоскваМурманскМуромМытищиНабережные ЧелныНазраньНальчикНаро-ФоминскНахабиноНаходкаНевинномысскНефтекамскНефтеюганскНижневартовскНижнекамскНижний НовгородНижний ТагилНовокузнецкНовокуйбышевскНовомосковскНовороссийскНовосибирскНовоуральскНовочебоксарскНовочеркасскНовошахтинскНовый УренгойНогинскНорильскНоябрьскОбнинскОдинцовоОктябрьскийОмскОрелОренбургОрехово-ЗуевоОрскПавловский ПосадПензаПервоуральскПермьПетрозаводскПетропавловск-КамчатскийПодольскПрокопьевскПсковПушкиноПятигорскРаменскоеРеутовРостов-на-ДонуРубцовскРыбинскРязаньСакиСалаватСамараСанкт-ПетербургСаранскСаратовСевастопольСеверодвинскСеверскСергиев ПосадСерпуховСимферопольСмоленскСосновый БорСочиСтавропольСтарый ОсколСтерлитамакСтупиноСургутСызраньСыктывкарТаганрогТамбовТверьТихвинТольяттиТомилиноТомскТроицкТулаТюменьУлан-УдэУльяновскУссурийскУсть-ИлимскУфаУхтаФеодосияФрязиноХабаровскХанты-МансийскХасавюртХимкиЧебоксарыЧелябинскЧереповецЧеркесскЧеховЧитаШахтыЩелковоЭлектростальЭлистаЭнгельсЮжно-СахалинскЯкутскЯлтаЯрославль
  • - бесплатно по РФ
    Автоперезвон. Работает по принципу: Вы позвонили на номер, мы сбрасываем звонок и перезваниваем через 3 секунды.
  • - по Москве
  • 8 (925) 663-83-63

Call-центр

пн-вс: 10:00-19:00

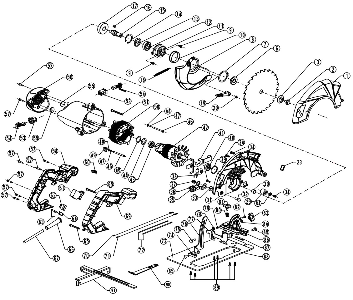
ЗАПЧАСТИ ДЛЯ ПИЛЫ ЦИРКУЛЯРНОЙ (ДИСКОВОЙ) ЭЛЕКТРИЧЕСКОЙ ELITECH ПД 1763

NАртикулНазваниеСрок отгрузкиЦенаКупить
1 1806.010000 Кожух защитный верхний
2 1806.010100 Винт
3 1806.010200 Шайба
6 1806.010400 Фланец прижимной внутренний
7 1806.010500 Кольцо стопорное
8 1806.010600 Кожух защитный подвижный
9 1806.005300 Винт
10 1806.010700 втулка 7 р.
11 1806.010800 крышка подшипника 184 р.
12 1804.035000 Подшипник шариковый 6003-RS
12 5001.000101 Подшипник 6003RS, 17х35х10 135 р.
13 1806.010900 шайба пружинная 5 р.
14 1804.035200 Кольцо стопорное
15 1806.011000 Шпиндель
16 1806.005100 шпонка 5 р.
17 1806.011100 шестерня 321 р.
18 1806.011200 Пружина
19 1806.011300 Рычаг кожуха защитного подвижного
23 1806.011400 Линза
29 1806.006100 Ограничитель кожуха защитного подвижного
30 1806.004500 Подшипник скольжения
31 1806.011500 Корпус редуктора
32 1806.011600 Винт
33 1806.003100 Шайба
34 1806.011700 Винт
35 1806.011800 Рычаг фиксатора глубины погружения диска
36 1806.011900 Шайба фасонная
37 1806.003000 Гайка
38 1806.002700 Кольцо стопорное
39 1804.038500 Кольцо уплотнительное
40 1804.035700 Подшипник шариковый 6001-RS
41 1806.012000 Рычаг фиксатора шпинделя
42 1806.012100 Ротор
43 5001.004600 Подшипник шариковый 629-Z 135 р.
43 0802.073700 Подшипник шариковый 629-Z
44 1806.012200 Шайба
45 1806.012300 Пружина
46 1806.012400 Винт
47 1806.001000 Шайба пружинная
48 1806.001100 Шайба
49 1806.012500 Зажим провода
50 1806.012600 статор 1.008 р.
51 1806.012700 Винт
52 1806.012800 Корпус эл. двигателя
53 1806.012900 Щеткодержатель
54 1806.013000 Щетка угольная (комплект 2 шт)
55 1806.013100 Подушка (резиновая)
56 1806.013200 Крышка корпуса эл. двигателя
57 1803.004100 Винт самонарезающий ST4,2х19 мм
58 1806.013300 Рукоятка (левая)
60 1806.013400 Крышка щетки угольной
61 1806.013500 выключатель 150 р.
62 1806.013600 Коннектор
63 1806.013700 Винт самонарезающий
64 1806.013800 Зажим провода
65 1806.013900 Винт
66 1806.014000 Изолятор кабеля сетевого
67 1803.005600 Кабель сетевой в сборе с вилкой H05RN-F 2х0,75 мм2, L.4100 мм 622 р.
69 1806.014100 Рукоятка (правая)
70 1806.014200 Провод (2)
71 1806.014300 Провод (1)
72 1806.014400 Провод в сборе
73 1806.014500 Основание
74 1806.014600 Суппорт основания
75 1806.014700 Болт
76 1806.014800 Суппорт направляющий
77 1806.014900 Суппорт основания передний
78 1806.015000 Указатель шкалы
79 1803.013600 Винт
80 1806.003800 Пружина
81 1806.003700 Винт барашковый
82 1806.000300 Винт
83 1806.003900 Гайка барашковая
84 1806.004000 Шайба
85 1806.015100 Заклепка
86 1806.015200 Указатель шкалы
87 1806.004600 Штифт
88 1806.015300 Винт с головкой внутр. шестигранной
89 1806.015400 Винт
90 1806.015500 Ключ
91 1806.015600 Линейка параллельная
Найдено товаров: 81
1
▲ Наверх
0
8 (925) 663-83-63

Call-центр

пн-вс: 10:00-19:00

НАЙТИ ПО МОДЕЛИ
Введите номер заказа
Введите номер своего заказа, что бы узнать его текущий статус.
Что бы получить доступ к расширенным функциям, пройдите не сложную регистрацию. Зарегистрироваться