Магазин запчастей для бытовой техники - Arlos
Москва
close
Выберите ваш регион
АбаканАлександровАльметьевскАнгарскАрзамасАрмавирАртемАрхангельскАстраханьАчинскБалаковоБалашихаБеларусьБелгородБердскБерезникиБийскБлаговещенскБратскБрянскВеликий НовгородВидноеВладивостокВладикавказВладимирВолгоградВолгодонскВолжскийВологдаВолховВоркутаВоронежВоскресенскВыборгГатчинаГеленджикГрозныйДедовскДербентДзержинскДзержинскийДимитровградДмитровДолгопрудныйДомодедовоДонецкЕвпаторияЕгорьевскЕкатеринбургЕлецЕссентукиЖелезногорскЖелезнодорожныйЖуковскийЗеленоградЗлатоустИвановоИвантеевкаИжевскИркутскИстраЙошкар-ОлаКазаньКалининградКалугаКаменск-УральскийКамышинКаспийскКемеровоКерчьКировКисловодскКлинКовровКоломнаКомсомольск-на-АмуреКопейскКоролёвКостромаКотельникиКрасногорскКраснодарКраснознаменскКрасноярскКурганКурскКызылЛенинск-КузнецкийЛипецкЛобняЛыткариноЛюберцыМагнитогорскМайкопМалаховкаМахачкалаМиассМоскваМурманскМуромМытищиНабережные ЧелныНазраньНальчикНаро-ФоминскНахабиноНаходкаНевинномысскНефтекамскНефтеюганскНижневартовскНижнекамскНижний НовгородНижний ТагилНовокузнецкНовокуйбышевскНовомосковскНовороссийскНовосибирскНовоуральскНовочебоксарскНовочеркасскНовошахтинскНовый УренгойНогинскНорильскНоябрьскОбнинскОдинцовоОктябрьскийОмскОрелОренбургОрехово-ЗуевоОрскПавловский ПосадПензаПервоуральскПермьПетрозаводскПетропавловск-КамчатскийПодольскПрокопьевскПсковПушкиноПятигорскРаменскоеРеутовРостов-на-ДонуРубцовскРыбинскРязаньСакиСалаватСамараСанкт-ПетербургСаранскСаратовСевастопольСеверодвинскСеверскСергиев ПосадСерпуховСимферопольСмоленскСосновый БорСочиСтавропольСтарый ОсколСтерлитамакСтупиноСургутСызраньСыктывкарТаганрогТамбовТверьТихвинТольяттиТомилиноТомскТроицкТулаТюменьУлан-УдэУльяновскУссурийскУсть-ИлимскУфаУхтаФеодосияФрязиноХабаровскХанты-МансийскХасавюртХимкиЧебоксарыЧелябинскЧереповецЧеркесскЧеховЧитаШахтыЩелковоЭлектростальЭлистаЭнгельсЮжно-СахалинскЯкутскЯлтаЯрославль
  • - бесплатно по РФ
    Автоперезвон. Работает по принципу: Вы позвонили на номер, мы сбрасываем звонок и перезваниваем через 3 секунды.
  • - по Москве
  • 8 (925) 663-83-63

Call-центр

пн-вс: 10:00-19:00

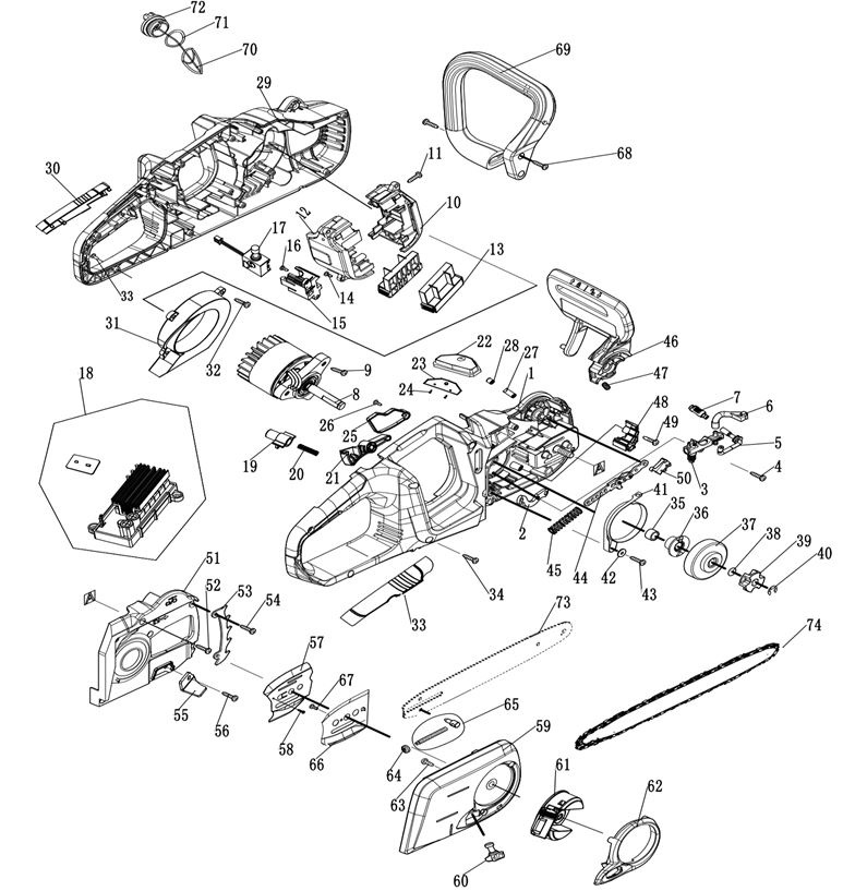
ЗАПЧАСТИ ДЛЯ ПИЛЫ ЦЕПНОЙ АККУМУЛЯТОРНОЙ ELITECH ПЦА 36БЛ

NАртикулНазваниеСрок отгрузкиЦенаКупить
1 0804.037900 Корпус, правая часть. HJ-36-LJ-001. Е1611.001.00 993 р.
2 0804.037950 Держатель насоса масляного
3 0804.038000 Насос масляный. HJ-36-LJ-003. Е1611.001.00 591 р.
5 0804.038050 Трубка масляная входная. HJ-36-LJ-005. Е1611.001.00 91 р.
6 0804.038100 Трубка масляная выходная. HJ-36-LJ-006. Е1611.001.00 91 р.
7 0804.038150 Фильтр масляный. HJ-36-LJ-007. Е1611.001.00 47 р.
8 0804.038200 Электродвигатель. HJ-36-LJ-008. Е1611.001.00 15.227 р.
10 0804.038250 Крепление аккумулятора, левое. HJ-36-LJ-010. Е1611.001.00 115 р.
12 0804.038300 Крепление аккумулятора, правое. HJ-36-LJ-012. Е1611.001.00 115 р.
13 0804.038350 Коннектор. HJ-36-LJ-013. Е1611.001.00 118 р.
15 0804.038400 Гнездо переключателя. ПЦА 36БЛ (E1611.001.00) 70 р.
17 0804.038450 Переключатель регулировки скорости. HJ-36-LJ-017. Е1611.001.00 545 р.
18 0804.038500 Контроллер в сборе. HJ-36-LJ-018. Е1611.001.00 7.597 р.
19 0804.038550 Кнопка управления триггером. HJ-36-LJ-019. Е1611.001.00 47 р.
20 0804.038600 Пружина. HJ-36-LJ-020. Е1611.001.00 10 р.
21 0804.035750 Триггер. HJ-36-LJ-021. Е1611.001.00 72 р.
22 0804.035800 Плата дисплея. HJ-36-LJ-022. Е1611.001.00 47 р.
23 0804.035850 Плата питания дисплея. HJ-36-LJ-023. Е1611.001.00 314 р.
25 0804.035900 Пластина привода. HJ-36-LJ-025. Е1611.001.00 24 р.
27 0804.035950 Клапан воздухозаборника. HJ-36-LJ-027. Е1611.001.00 10 р.
28 0804.036000 Заглушка воздухозаборника. HJ-36-LJ-028. Е1611.001.00 17 р.
29 0804.036050 Корпус, левая часть. HJ-36-LJ-029. Е1611.001.00 817 р.
30 0804.036100 Накладка ручки, левая. HJ-36-LJ-030. Е1611.001.00 91 р.
31 0804.036150 Дефлектор
33 0804.036200 Накладка ручки, правая. HJ-36-LJ-033. Е1611.001.00 91 р.
35 0804.036250 Втулка. HJ-36-LJ-035. Е1611.001.00 17 р.
36 0804.036300 Шестерня червячная маслонасоса. HJ-36-LJ-036. Е1611.001.00 135 р.
37 0804.036350 Диск сцепленя в сборе. HJ-36-LJ-037. Е1611.001.00 591 р.
38 0804.036400 Прокладка кольцо, 15х10х2.5, чёрн. HJ-36-LJ-038. ПЦА 36БЛ (Е1611.001.00) 10 р.
39 0804.036450 Звёздочка цепи. HJ-36-LJ-039. Е1611.001.00 222 р.
40 0804.036500 Кольцо стопорное для вала D10. 14х7, H1, клипса. ПЦА 36БЛ (E1611.001.00) 10 р.
41 0804.036550 Ремень тормозной в сборе. HJ-36-LJ-041. Е1611.001.00 203 р.
42 0804.036600 Прокладка
44 0804.036650 Шарнир тормозной в сборе. HJ-36-LJ-044. Е1611.001.00 591 р.
45 0804.036700 Пружина
46 0804.036750 Ручка тормоза. HJ-36-LJ-046. Е1611.001.00 226 р.
47 0804.036800 Пружина
48 0804.036850 Демпфер. HJ-36-LJ-048. Е1611.001.00 70 р.
50 0804.036900 Выключатель. HJ-36-LJ-050. Е1611.001.00 82 р.
51 0804.036950 Крышка кожуха правая. HJ-36-LJ-051. Е1611.001.00 203 р.
53 0804.037000 Упор зубчатый. HJ-36-LJ-053. Е1611.001.00 72 р.
55 0804.037050 Цепеуловитель. HJ-36-LJ-055. Е1611.001.00 34 р.
57 0804.037100 Накладка направляющая нижняя
59 0804.037150 Крышка пластины направляющей. HJ-36-LJ-059. Е1611.001.00 325 р.
60 0804.037200 Узел крепления
61 0804.037250 Ручка в сборе. HJ-36-LJ-061. Е1611.001.00 91 р.
62 0804.037300 Накладка. HJ-36-LJ-062. Е1611.001.00 55 р.
64 0804.037350 Шестерня регулировочная. HJ-36-LJ-064. Е1611.001.00 69 р.
65 0804.037400 Винт регулировки в сборе. HJ-36-LJ-065. Е1611.001.00 135 р.
66 0804.037450 Крышка натяжителя. HJ-36-LJ-066. Е1611.001.00 55 р.
69 0804.037500 Ручка основная. HJ-36-LJ-069. Е1611.001.00 545 р.
70 0804.037550 Держатель крышки. HJ-36-LJ-070. Е1611.001.00 10 р.
71 0804.037600 Прокладка. HJ-36-LJ-071. Е1611.001.00 10 р.
72 0804.037650 Крышка бака масляного. HJ-36-LJ-072. Е1611.001.00 24 р.
73 0804.037700 Шина цепная
74 0804.037750 Цепь пильная
Найдено товаров: 56
1
▲ Наверх
0
8 (925) 663-83-63

Call-центр

пн-вс: 10:00-19:00

НАЙТИ ПО МОДЕЛИ
Введите номер заказа
Введите номер своего заказа, что бы узнать его текущий статус.
Что бы получить доступ к расширенным функциям, пройдите не сложную регистрацию. Зарегистрироваться