Магазин запчастей для бытовой техники - Arlos
Москва
close
Выберите ваш регион
АбаканАлександровАльметьевскАнгарскАрзамасАрмавирАртемАрхангельскАстраханьАчинскБалаковоБалашихаБеларусьБелгородБердскБерезникиБийскБлаговещенскБратскБрянскВеликий НовгородВидноеВладивостокВладикавказВладимирВолгоградВолгодонскВолжскийВологдаВолховВоркутаВоронежВоскресенскВыборгГатчинаГеленджикГрозныйДедовскДербентДзержинскДзержинскийДимитровградДмитровДолгопрудныйДомодедовоДонецкЕвпаторияЕгорьевскЕкатеринбургЕлецЕссентукиЖелезногорскЖелезнодорожныйЖуковскийЗеленоградЗлатоустИвановоИвантеевкаИжевскИркутскИстраЙошкар-ОлаКазаньКалининградКалугаКаменск-УральскийКамышинКаспийскКемеровоКерчьКировКисловодскКлинКовровКоломнаКомсомольск-на-АмуреКопейскКоролёвКостромаКотельникиКрасногорскКраснодарКраснознаменскКрасноярскКурганКурскКызылЛенинск-КузнецкийЛипецкЛобняЛыткариноЛюберцыМагнитогорскМайкопМалаховкаМахачкалаМиассМоскваМурманскМуромМытищиНабережные ЧелныНазраньНальчикНаро-ФоминскНахабиноНаходкаНевинномысскНефтекамскНефтеюганскНижневартовскНижнекамскНижний НовгородНижний ТагилНовокузнецкНовокуйбышевскНовомосковскНовороссийскНовосибирскНовоуральскНовочебоксарскНовочеркасскНовошахтинскНовый УренгойНогинскНорильскНоябрьскОбнинскОдинцовоОктябрьскийОмскОрелОренбургОрехово-ЗуевоОрскПавловский ПосадПензаПервоуральскПермьПетрозаводскПетропавловск-КамчатскийПодольскПрокопьевскПсковПушкиноПятигорскРаменскоеРеутовРостов-на-ДонуРубцовскРыбинскРязаньСакиСалаватСамараСанкт-ПетербургСаранскСаратовСевастопольСеверодвинскСеверскСергиев ПосадСерпуховСимферопольСмоленскСосновый БорСочиСтавропольСтарый ОсколСтерлитамакСтупиноСургутСызраньСыктывкарТаганрогТамбовТверьТихвинТольяттиТомилиноТомскТроицкТулаТюменьУлан-УдэУльяновскУссурийскУсть-ИлимскУфаУхтаФеодосияФрязиноХабаровскХанты-МансийскХасавюртХимкиЧебоксарыЧелябинскЧереповецЧеркесскЧеховЧитаШахтыЩелковоЭлектростальЭлистаЭнгельсЮжно-СахалинскЯкутскЯлтаЯрославль
  • - бесплатно по РФ
    Автоперезвон. Работает по принципу: Вы позвонили на номер, мы сбрасываем звонок и перезваниваем через 3 секунды.
  • - по Москве
  • 8 (925) 663-83-63

Call-центр

пн-вс: 10:00-19:00

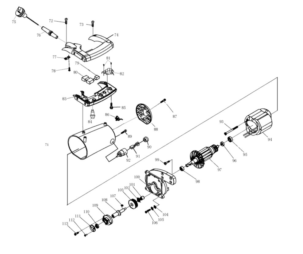
ЗАПЧАСТИ ДЛЯ ПИЛЫ ТОРЦОВОЧНОЙ ЭЛЕКТРИЧЕСКОЙ ELITECH ПТ 1200 (ЭЛ. ДВИГАТЕЛЬ, РЕДУКТОР)

NАртикулНазваниеСрок отгрузкиЦенаКупить
71 1105.006600 Корпус эл. двигателя
72 1105.006700 Винт
73 1105.006800 Винт
74 1105.006900 Рукоятка верхняя
75 1105.007000 Кабель сетевой в сборе с вилкой
76 1105.007100 Изолятор кабеля сетевого
77 1105.007200 Зажим провода
78 1105.007300 Винт
79 1105.007400 Конденсатор
80 1105.007500 Выключатель
81 1105.007600 Винт самонарезающий
82 1105.007700 Трансформатор ПТ1200, КИТ-ИЙ: MJ2321III082 см.1105.045100 605 р.
83 1105.007800 Рукоятка нижняя
84 1105.007900 Выключатель лазера 6А, 220В (желтый)
85 1105.008000 Винт
86 1105.008100 Кольцо магнитное
87 1105.008200 Винт самонарезающий
88 1105.008300 Крышка эл. двигателя задняя
89 1105.008400 Винт
90 1105.008500 Крышка щетки угольной
91 1105.008600 Щетка угольная
92 1105.008700 Щеткодержатель
93 1105.008800 Винт
94 1105.008900 Статор
95 1105.009000 Шайба амортизирующая
96 1105.009100 Подшипник
97 1105.009200 Ротор
98 1105.009300 Подшипник
99 1105.009400 Винт
100 1105.009500 Крышка эл. двигателя передняя
101 1105.009600 Втулка
102 1105.009700 Кольцо стопорное
103 1105.009800 Шестерня
104 1105.009900 Шайба
105 1105.010000 Шайба пружинная
106 1105.010100 Винт
107 1105.010200 Шпонка
108 1105.010300 Вал
109 1105.010400 Фиксатор вала
110 1105.010500 Подшипник
111 1105.010600 Фиксатор подшипника
112 1105.010700 Винт
113 1105.010800 Винт
Найдено товаров: 43
1
▲ Наверх
0
8 (925) 663-83-63

Call-центр

пн-вс: 10:00-19:00

НАЙТИ ПО МОДЕЛИ
Введите номер заказа
Введите номер своего заказа, что бы узнать его текущий статус.
Что бы получить доступ к расширенным функциям, пройдите не сложную регистрацию. Зарегистрироваться