Магазин запчастей для бытовой техники - Arlos
Москва
close
Выберите ваш регион
АбаканАлександровАльметьевскАнгарскАрзамасАрмавирАртемАрхангельскАстраханьАчинскБалаковоБалашихаБеларусьБелгородБердскБерезникиБийскБлаговещенскБратскБрянскВеликий НовгородВидноеВладивостокВладикавказВладимирВолгоградВолгодонскВолжскийВологдаВолховВоркутаВоронежВоскресенскВыборгГатчинаГеленджикГрозныйДедовскДербентДзержинскДзержинскийДимитровградДмитровДолгопрудныйДомодедовоДонецкЕвпаторияЕгорьевскЕкатеринбургЕлецЕссентукиЖелезногорскЖелезнодорожныйЖуковскийЗеленоградЗлатоустИвановоИвантеевкаИжевскИркутскИстраЙошкар-ОлаКазаньКалининградКалугаКаменск-УральскийКамышинКаспийскКемеровоКерчьКировКисловодскКлинКовровКоломнаКомсомольск-на-АмуреКопейскКоролёвКостромаКотельникиКрасногорскКраснодарКраснознаменскКрасноярскКурганКурскКызылЛенинск-КузнецкийЛипецкЛобняЛыткариноЛюберцыМагнитогорскМайкопМалаховкаМахачкалаМиассМоскваМурманскМуромМытищиНабережные ЧелныНазраньНальчикНаро-ФоминскНахабиноНаходкаНевинномысскНефтекамскНефтеюганскНижневартовскНижнекамскНижний НовгородНижний ТагилНовокузнецкНовокуйбышевскНовомосковскНовороссийскНовосибирскНовоуральскНовочебоксарскНовочеркасскНовошахтинскНовый УренгойНогинскНорильскНоябрьскОбнинскОдинцовоОктябрьскийОмскОрелОренбургОрехово-ЗуевоОрскПавловский ПосадПензаПервоуральскПермьПетрозаводскПетропавловск-КамчатскийПодольскПрокопьевскПсковПушкиноПятигорскРаменскоеРеутовРостов-на-ДонуРубцовскРыбинскРязаньСакиСалаватСамараСанкт-ПетербургСаранскСаратовСевастопольСеверодвинскСеверскСергиев ПосадСерпуховСимферопольСмоленскСосновый БорСочиСтавропольСтарый ОсколСтерлитамакСтупиноСургутСызраньСыктывкарТаганрогТамбовТверьТихвинТольяттиТомилиноТомскТроицкТулаТюменьУлан-УдэУльяновскУссурийскУсть-ИлимскУфаУхтаФеодосияФрязиноХабаровскХанты-МансийскХасавюртХимкиЧебоксарыЧелябинскЧереповецЧеркесскЧеховЧитаШахтыЩелковоЭлектростальЭлистаЭнгельсЮжно-СахалинскЯкутскЯлтаЯрославль
  • - бесплатно по РФ
    Автоперезвон. Работает по принципу: Вы позвонили на номер, мы сбрасываем звонок и перезваниваем через 3 секунды.
  • - по Москве
  • 8 (925) 663-83-63

Call-центр

пн-вс: 10:00-19:00

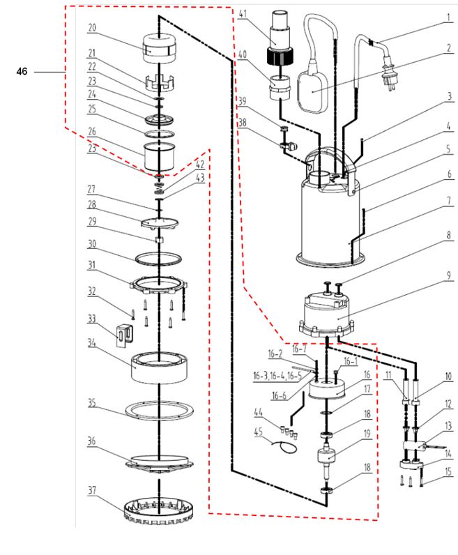
ЗАПЧАСТИ ДЛЯ НАСОСА ПОГРУЖНОГО ДЛЯ ЧИСТОЙ ВОДЫ ELITECH НПД 600

NАртикулНазваниеСрок отгрузкиЦенаКупить
1 1002.003200 Кабель сетевой в сборе с вилкой
2 1002.011000 Выключатель поплавковый
2 1002.019000 Выключатель поплавковый
2 1002.015000 Выключатель поплавковый
3 1002.013500 Винт
4 1002.020000 Рукоятка
5 1002.015200 Гайка
6 1002.020100 Винт
7 1002.020200 Корпус насоса верхний
8 1002.015600 Кольцо уплотнительное
9 1002.015700 Корпус насоса внутренний
10 1002.015800 Изолятор кабеля
11 1002.003600 Изолятор кабеля
12 1002.003700 Зажим провода
12 1002.003800 Зажим провода
13 1002.003900 Конденсатор
14 1002.004000 Зажим провода
15 1002.004100 Винт
16 1002.004200 Крышка эл. двигателя задняя
16-1 1002.004800 Втулка
16-2 1002.011400 Шайба стопорная
16-3 1002.011500 Провод заземления
16-4 1002.011600 Клемма
16-5 1002.011700 Трубка термоусадочная
16-6 1002.011800 Шайба пружинная
16-7 1002.011900 Винт M4
17 1002.004300 Шайба волнистая
18 1002.004400 Подшипник шариковый 6201-2Z
19 1002.020300 Ротор
20 1002.020400 Статор
21 1002.005300 Защита статора
22 1002.005400 Шайба
23 1002.005100 Кольцо уплотнительное
24 1002.005200 Защита статора
25 1002.005800 Кольцо уплотнительное
26 1002.020500 Крышка эл. двигателя передняя
27 1002.006500 Шайба плоская
27 1002.006400 Шайба плоская, D20x8.5x0.7. 37 р.
28 1002.020600 Колесо рабочее D90.5, d8.5, H17.6. JHCT009.03.003. НПД 600Н 276 р.
29 1002.012600 Гайка
30 1002.006300 Кольцо уплотнительное D.99х89х5 мм
31 1002.017100 Кольцо прижимное
32 1002.017200 Винт самонарезающий ST4,2х32 мм
33 1002.017300 Контур заземления
34 1002.017400 Кольцо установочное
35 1002.020700 Прокладка уплотнительная
36 1002.020800 Основание внутреннее
37 1002.020900 Основание насосаJHCT006.01.013 240 р.
38 1002.021000 Зажим
39 1002.021100 Втулка (резиновая)
40 1002.021200 Переходник
41 1002.021300 Штуцер выходной
42 1002.014300 Уплотнение механическое в сб. d10.5, шайба 24.4х13.2х4.4. JHCT061.01.007. НПД 600Н 236 р.
43 1002.014400 Кольцо стопорное
44 1002.013900 Клемма
44 1002.014000 Клемма
45 1002.014200 Хомут
46 1002.021400 Эл. двигатель в сборе
Найдено товаров: 58
1
▲ Наверх
0
8 (925) 663-83-63

Call-центр

пн-вс: 10:00-19:00

НАЙТИ ПО МОДЕЛИ
Введите номер заказа
Введите номер своего заказа, что бы узнать его текущий статус.
Что бы получить доступ к расширенным функциям, пройдите не сложную регистрацию. Зарегистрироваться