Магазин запчастей для бытовой техники - Arlos
Москва
close
Выберите ваш регион
АбаканАлександровАльметьевскАнгарскАрзамасАрмавирАртемАрхангельскАстраханьАчинскБалаковоБалашихаБеларусьБелгородБердскБерезникиБийскБлаговещенскБратскБрянскВеликий НовгородВидноеВладивостокВладикавказВладимирВолгоградВолгодонскВолжскийВологдаВолховВоркутаВоронежВоскресенскВыборгГатчинаГеленджикГрозныйДедовскДербентДзержинскДзержинскийДимитровградДмитровДолгопрудныйДомодедовоДонецкЕвпаторияЕгорьевскЕкатеринбургЕлецЕссентукиЖелезногорскЖелезнодорожныйЖуковскийЗеленоградЗлатоустИвановоИвантеевкаИжевскИркутскИстраЙошкар-ОлаКазаньКалининградКалугаКаменск-УральскийКамышинКаспийскКемеровоКерчьКировКисловодскКлинКовровКоломнаКомсомольск-на-АмуреКопейскКоролёвКостромаКотельникиКрасногорскКраснодарКраснознаменскКрасноярскКурганКурскКызылЛенинск-КузнецкийЛипецкЛобняЛыткариноЛюберцыМагнитогорскМайкопМалаховкаМахачкалаМиассМоскваМурманскМуромМытищиНабережные ЧелныНазраньНальчикНаро-ФоминскНахабиноНаходкаНевинномысскНефтекамскНефтеюганскНижневартовскНижнекамскНижний НовгородНижний ТагилНовокузнецкНовокуйбышевскНовомосковскНовороссийскНовосибирскНовоуральскНовочебоксарскНовочеркасскНовошахтинскНовый УренгойНогинскНорильскНоябрьскОбнинскОдинцовоОктябрьскийОмскОрелОренбургОрехово-ЗуевоОрскПавловский ПосадПензаПервоуральскПермьПетрозаводскПетропавловск-КамчатскийПодольскПрокопьевскПсковПушкиноПятигорскРаменскоеРеутовРостов-на-ДонуРубцовскРыбинскРязаньСакиСалаватСамараСанкт-ПетербургСаранскСаратовСевастопольСеверодвинскСеверскСергиев ПосадСерпуховСимферопольСмоленскСосновый БорСочиСтавропольСтарый ОсколСтерлитамакСтупиноСургутСызраньСыктывкарТаганрогТамбовТверьТихвинТольяттиТомилиноТомскТроицкТулаТюменьУлан-УдэУльяновскУссурийскУсть-ИлимскУфаУхтаФеодосияФрязиноХабаровскХанты-МансийскХасавюртХимкиЧебоксарыЧелябинскЧереповецЧеркесскЧеховЧитаШахтыЩелковоЭлектростальЭлистаЭнгельсЮжно-СахалинскЯкутскЯлтаЯрославль
  • - бесплатно по РФ
    Автоперезвон. Работает по принципу: Вы позвонили на номер, мы сбрасываем звонок и перезваниваем через 3 секунды.
  • - по Москве
  • 8 (925) 663-83-63

Call-центр

пн-вс: 10:00-19:00

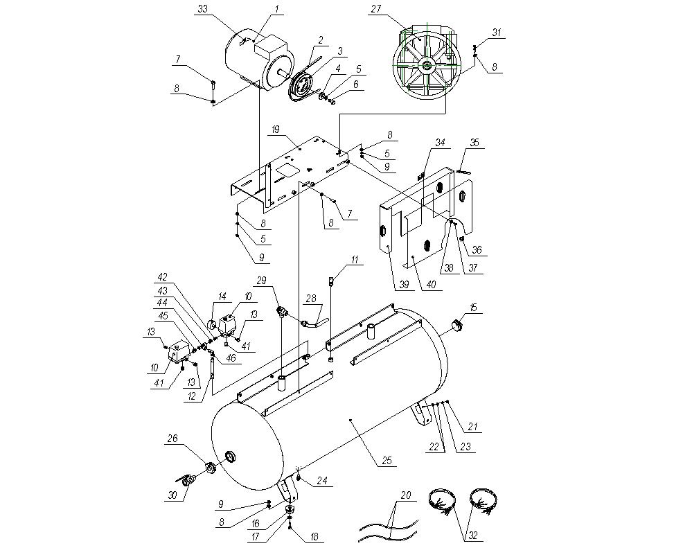
ЗАПЧАСТИ ДЛЯ КОМПРЕССОРА ПОРШНЕВОГО ELITECH KP500/АВ858ТБ/11T (КАТАЛОГ ОБЩЕГО ВИДА)

NАртикулНазваниеСрок отгрузкиЦенаКупить
1 4042100509 Эл. двигатель АДМ100L2У3 5,5 кВт 380В
2 4301106900 Ремень А1750 (A69)
3 3106.00.00.104 Шкив эл. двигателя D.180 мм
4 3106.00.00.101 Прижим
10 4996111673 Прессостат Condor MDR3/11 3х1/4F+1х3/8F, 16А, 380В
11 4252110202 Клапан предохранительный с кольцом 3/8, 11 Bar
12 3107.00.00.201 Патрубок 3/8х200 мм
13 3101.00.00.203 Заглушка 1/4
14 4141401600 Манометр D.63 мм, 1/4, 16 Bar
15 3140.00.00.048 Заглушка
16 4271000203 Амортизатор D.60 мм
19 3129.00.00.120 Платформа
20 4490600001 Трубка гибкая Rilsan 6х1 мм
24 4121001000 Конденсатоотводчик 3/8
25 3005.00.00.000-07 Ресивер 500 л Р500.11.07
26 3106.00.00.021 Переходник 2Mх3/4F
27 4021320050 Блок поршневой AB858
28 3106.00.00.400 Воздухопровод
29 4241122102 Клапан обратный 1/2Mх1/2M
29-1 7193340000 Элемент клапана обратного 1/2 (D.16,5 мм)
30 4111334000 Кран шаровый 3/4MF
32 4871402590 Провод
33 4381003500 Табличка маркировочная (Указатель)
34 3103.00.00.020-01 Держатель
35 4350010002 Распорка
36 4350020002 Защелка
39,40 3106.00.00.500-01/600 Решетка в сборе
41 3060.00.00.112 Заглушка
42 4151700003 Переходник 1/4MM mod.9/B
43 3060.00.00.121 Переходник 3/8Mх1/4F
44 4150803000 Переходник (T) 3/8FFM
45 3101.00.00.301 Переходник 1/4Mх3/8F
46 4150203000 Переходник (L) 3/8MF
Найдено товаров: 33
1
▲ Наверх
0
8 (925) 663-83-63

Call-центр

пн-вс: 10:00-19:00

НАЙТИ ПО МОДЕЛИ
Введите номер заказа
Введите номер своего заказа, что бы узнать его текущий статус.
Что бы получить доступ к расширенным функциям, пройдите не сложную регистрацию. Зарегистрироваться