Магазин запчастей для бытовой техники - Arlos
Москва
close
Выберите ваш регион
АбаканАлександровАльметьевскАнгарскАрзамасАрмавирАртемАрхангельскАстраханьАчинскБалаковоБалашихаБеларусьБелгородБердскБерезникиБийскБлаговещенскБратскБрянскВеликий НовгородВидноеВладивостокВладикавказВладимирВолгоградВолгодонскВолжскийВологдаВолховВоркутаВоронежВоскресенскВыборгГатчинаГеленджикГрозныйДедовскДербентДзержинскДзержинскийДимитровградДмитровДолгопрудныйДомодедовоДонецкЕвпаторияЕгорьевскЕкатеринбургЕлецЕссентукиЖелезногорскЖелезнодорожныйЖуковскийЗеленоградЗлатоустИвановоИвантеевкаИжевскИркутскИстраЙошкар-ОлаКазаньКалининградКалугаКаменск-УральскийКамышинКаспийскКемеровоКерчьКировКисловодскКлинКовровКоломнаКомсомольск-на-АмуреКопейскКоролёвКостромаКотельникиКрасногорскКраснодарКраснознаменскКрасноярскКурганКурскКызылЛенинск-КузнецкийЛипецкЛобняЛыткариноЛюберцыМагнитогорскМайкопМалаховкаМахачкалаМиассМоскваМурманскМуромМытищиНабережные ЧелныНазраньНальчикНаро-ФоминскНахабиноНаходкаНевинномысскНефтекамскНефтеюганскНижневартовскНижнекамскНижний НовгородНижний ТагилНовокузнецкНовокуйбышевскНовомосковскНовороссийскНовосибирскНовоуральскНовочебоксарскНовочеркасскНовошахтинскНовый УренгойНогинскНорильскНоябрьскОбнинскОдинцовоОктябрьскийОмскОрелОренбургОрехово-ЗуевоОрскПавловский ПосадПензаПервоуральскПермьПетрозаводскПетропавловск-КамчатскийПодольскПрокопьевскПсковПушкиноПятигорскРаменскоеРеутовРостов-на-ДонуРубцовскРыбинскРязаньСакиСалаватСамараСанкт-ПетербургСаранскСаратовСевастопольСеверодвинскСеверскСергиев ПосадСерпуховСимферопольСмоленскСосновый БорСочиСтавропольСтарый ОсколСтерлитамакСтупиноСургутСызраньСыктывкарТаганрогТамбовТверьТихвинТольяттиТомилиноТомскТроицкТулаТюменьУлан-УдэУльяновскУссурийскУсть-ИлимскУфаУхтаФеодосияФрязиноХабаровскХанты-МансийскХасавюртХимкиЧебоксарыЧелябинскЧереповецЧеркесскЧеховЧитаШахтыЩелковоЭлектростальЭлистаЭнгельсЮжно-СахалинскЯкутскЯлтаЯрославль
  • - бесплатно по РФ
    Автоперезвон. Работает по принципу: Вы позвонили на номер, мы сбрасываем звонок и перезваниваем через 3 секунды.
  • - по Москве
  • 8 (925) 663-83-63

Call-центр

пн-вс: 10:00-19:00

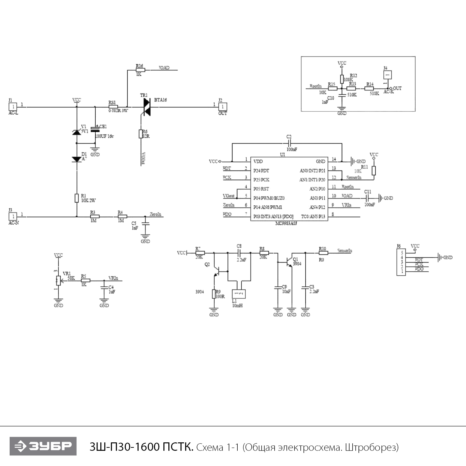
Штроборез + пластиковый кейс ЗШ-П30-1600 ПСТК

Данная модель имеет несколько схем

NАртикулНазваниеСрок отгрузкиЦенаКупить
1 U253-850-031 Втулка подшипника 627 резиновая 92 р.
2 N000-009-193 Подшипник шариковый 627-2RS (22х7х7) Outdo 250 р.
3 N000-042-073 Прокладка D18хd7х0.3
4 N000-042-074 Кольцо магнитное D24.5хd7х7.5 168 р.
5 N000-042-075 Ротор КД 1.655 р.
6 N000-017-189 Кольцо стопорное D26 сжимное
7 U206-210-042 Подшипник шариковый 629-2RS (26х9х8) Outdo 383 р.
8 N000-029-088 Кольцо уплотнительное D25х2 23 р.
9 N000-042-076 Шестерня ведущая 101 р.
10 N000-023-515 Гайка М6
11 N000-029-090 Дефлектор 53 р.
12 N000-029-091 Кнопка стопора 13 р.
13 N000-029-092 Пружина стопора D9xh9 81 р.
14 N000-029-094 Стопор 25 р.
16 N000-042-077 Корпус редуктора 648 р.
17 N000-029-095 Кольцо уплотнительное D14хd2 17 р.
18 U009-696-RS0 Подшипник шариковый 696-2Z (15х6х5) OEPECE 128 р.
19 UM06-000-012 Кольцо стопорное D12 Е-образное 92 р.
20 N000-042-078 Шестерня ведомая 312 р.
22 N000-042-079 Прижим подшипника
23 N000-017-110 Подшипник шариковый 6201-2RS (32х12х10) C&U 404 р.
24 N000-014-405 Кольцо уплотнительное D54.5хd1.3 42 р.
25 N000-042-080 Крышка корпуса редуктора 350 р.
27 N000-029-099 Пыльник 41 р.
28 N000-029-100 Шпонка 3х3.7х10 19 р.
29 N000-042-081 Шпиндель 216 р.
30 N000-042-082 Втулка посадочная 149 р.
31 N000-042-083 Шайба промежуточная 6мм 110 р.
32 N000-042-084 Фланец посадочный 3мм 101 р.
33 N000-042-085 Втулка наружная 149 р.
34 N000-042-086 Кожух диска 6.322 р.
35 N000-029-107 Диффузор 39 р.
36 N000-018-360 Саморез ST4x45
37 N000-042-087 Статор КД 1.282 р.
38 N000-042-093 Корпус двигателя
39 N000-029-109 Щеткодержатель 189 р.
40 N000-029-111 Пружина щетки
43 N000-042-088 Блок электронный 1.694 р.
46 N000-042-089 Щетка графитовая (пара) 6х11х17.5 235 р.
48 N000-042-090 Рукоятка в сборе (левая и правая часть) 1.070 р.
49 N000-019-847 Конденсатор 0.22uF
50 N000-042-091 Выключатель FA2-8/1BDW 8(8)A 485 р.
51 N000-029-117 Воротник шнура 189 р.
52 N000-042-092 Шнур сетевой H05RN-F Rubber 2х1.0мм2 4м
Найдено товаров: 44
1
▲ Наверх
0
8 (925) 663-83-63

Call-центр

пн-вс: 10:00-19:00

НАЙТИ ПО МОДЕЛИ
Введите номер заказа
Введите номер своего заказа, что бы узнать его текущий статус.
Что бы получить доступ к расширенным функциям, пройдите не сложную регистрацию. Зарегистрироваться