Магазин запчастей для бытовой техники - Arlos
Москва
close
Выберите ваш регион
АбаканАлександровАльметьевскАнгарскАрзамасАрмавирАртемАрхангельскАстраханьАчинскБалаковоБалашихаБеларусьБелгородБердскБерезникиБийскБлаговещенскБратскБрянскВеликий НовгородВидноеВладивостокВладикавказВладимирВолгоградВолгодонскВолжскийВологдаВолховВоркутаВоронежВоскресенскВыборгГатчинаГеленджикГрозныйДедовскДербентДзержинскДзержинскийДимитровградДмитровДолгопрудныйДомодедовоДонецкЕвпаторияЕгорьевскЕкатеринбургЕлецЕссентукиЖелезногорскЖелезнодорожныйЖуковскийЗеленоградЗлатоустИвановоИвантеевкаИжевскИркутскИстраЙошкар-ОлаКазаньКалининградКалугаКаменск-УральскийКамышинКаспийскКемеровоКерчьКировКисловодскКлинКовровКоломнаКомсомольск-на-АмуреКопейскКоролёвКостромаКотельникиКрасногорскКраснодарКраснознаменскКрасноярскКурганКурскКызылЛенинск-КузнецкийЛипецкЛобняЛыткариноЛюберцыМагнитогорскМайкопМалаховкаМахачкалаМиассМоскваМурманскМуромМытищиНабережные ЧелныНазраньНальчикНаро-ФоминскНахабиноНаходкаНевинномысскНефтекамскНефтеюганскНижневартовскНижнекамскНижний НовгородНижний ТагилНовокузнецкНовокуйбышевскНовомосковскНовороссийскНовосибирскНовоуральскНовочебоксарскНовочеркасскНовошахтинскНовый УренгойНогинскНорильскНоябрьскОбнинскОдинцовоОктябрьскийОмскОрелОренбургОрехово-ЗуевоОрскПавловский ПосадПензаПервоуральскПермьПетрозаводскПетропавловск-КамчатскийПодольскПрокопьевскПсковПушкиноПятигорскРаменскоеРеутовРостов-на-ДонуРубцовскРыбинскРязаньСакиСалаватСамараСанкт-ПетербургСаранскСаратовСевастопольСеверодвинскСеверскСергиев ПосадСерпуховСимферопольСмоленскСосновый БорСочиСтавропольСтарый ОсколСтерлитамакСтупиноСургутСызраньСыктывкарТаганрогТамбовТверьТихвинТольяттиТомилиноТомскТроицкТулаТюменьУлан-УдэУльяновскУссурийскУсть-ИлимскУфаУхтаФеодосияФрязиноХабаровскХанты-МансийскХасавюртХимкиЧебоксарыЧелябинскЧереповецЧеркесскЧеховЧитаШахтыЩелковоЭлектростальЭлистаЭнгельсЮжно-СахалинскЯкутскЯлтаЯрославль
  • - бесплатно по РФ
    Автоперезвон. Работает по принципу: Вы позвонили на номер, мы сбрасываем звонок и перезваниваем через 3 секунды.
  • - по Москве
  • 8 (925) 663-83-63

Call-центр

пн-вс: 10:00-19:00

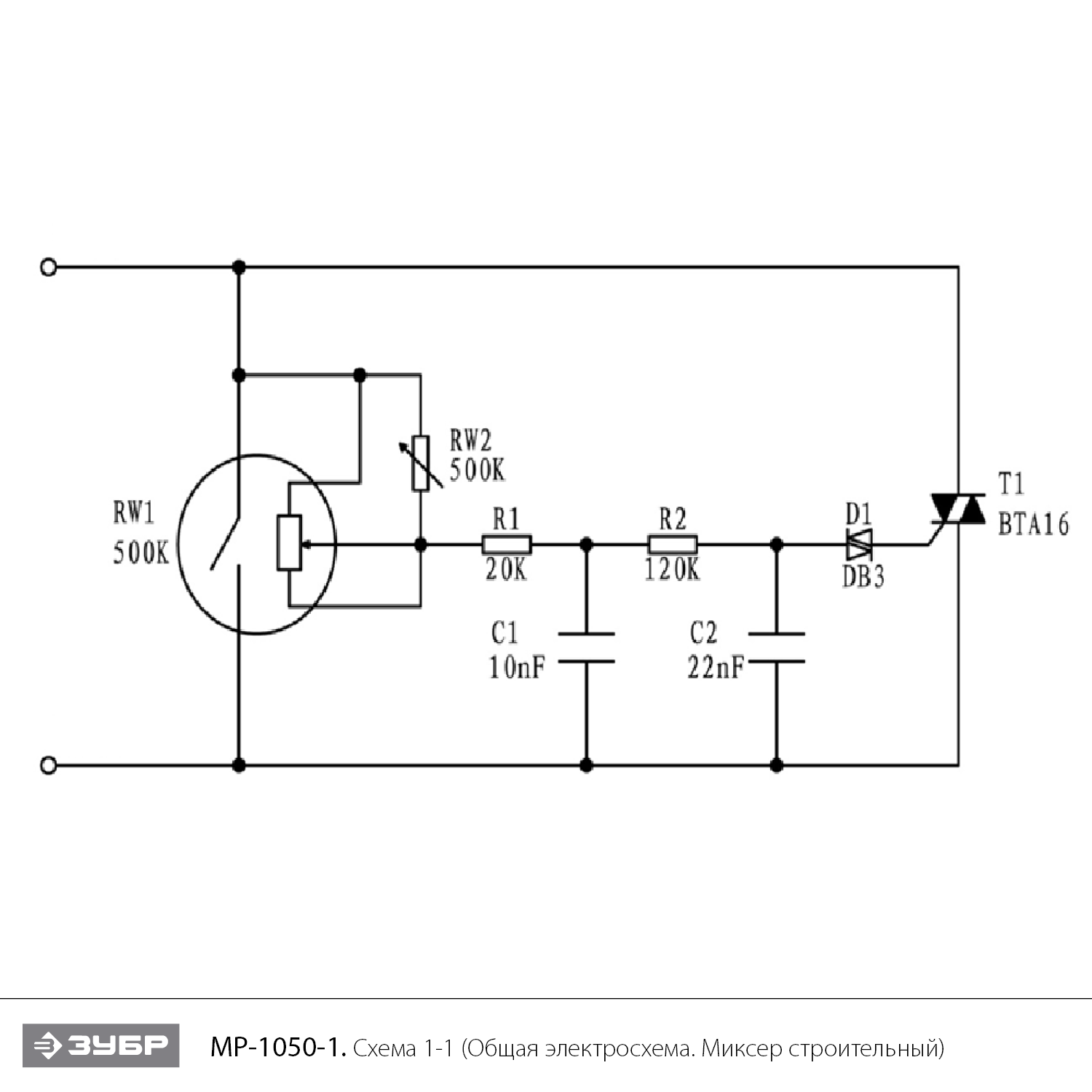
Миксер строительный, 2 скорости МР-1050-1

Данная модель имеет несколько схем

NАртикулНазваниеСрок отгрузкиЦенаКупить
1 N000-022-559 Саморез ST3.8X13
1.20 U009-608-RS0 Подшипник шариковый 608-2RS (22х8х7) U009-608-RS0 для пил ЗПС-850 Э, ЗПТ-210-1300-Л 306 р.
2 N000-022-560 Крышка задняя 287 р.
3 N000-022-561 Крышка щеткодержателя (пара) N000-022-561 для миксера МР-1050-1 297 р.
3.04 U009-600-3RS Подшипник шариковый 6003-2RS (35х17х10) U009-600-3RS для насосов НСВ-75-70, НСЦ-75-40 189 р.
4 N000-022-562 Щетка графитовая (пара) N000-022-562 для миксера МР-1050-1 193 р.
5 N000-022-563 Щеткодержатель 163 р.
6 N000-022-564 Корпус 1.353 р.
7 N000-022-565 Статор КДС 72x99 мм 2.443 р.
8 N000-022-566 Саморез ST4.8X55
9 N000-022-567 Ручка верхняя часть 653 р.
10 V000-004-325 Регулятор оборотов электронный (2 вывода) n/r V000-004-325 309 р.
11 N000-022-569 Ручка нижняя часть
12 N000-022-570 Втулка резиновая 84 р.
13 U522-120-013 Выключатель MKT FA2-8/2W 6(6)A 250V~ 5E4 с блокировкой включения U522-120-013 470 р.
14 N000-022-571 Ротор КДС 3.295 р.
14 N000-022-571-2 Ротор КДС V2 2.511 р.
15 N000-022-572 Винт M4x16
16 U009-600-1RS Подшипник шариковый 6001-2Z (28х12х8) CHFZ 286 р.
17 N000-022-573 Прокладка войлочная
18 N000-022-574 Крышка средняя часть 340 р.
19 N000-022-575 Прокладка
20 N000-022-576 Прокладка
21 N000-022-577 Прокладка
22 N000-022-578 Шайба
23 N000-022-579 Шайба пружинная
24 N000-022-580 Винт M3X10
25 N000-022-353 Винт M4x14
26 N000-022-581 Ручка переключения скорости
27 U261-960-011 Шарик стальной D4 84 р.
28 U351-900-060 Пружина #F 92 р.
29 UM06-002-004 Кольцо стопорное сжимное D30 92 р.
30 N000-022-585 Переключатель скорости 123 р.
31 N000-022-586 Прокладка
32 U099-004-006 Шнур сетевой H05RN-F Rubber 2Gх1мм2 2м 189 р.
33 U098-004-023 Воротник шнура 92 р.
34 N000-022-589 Корпус редуктора 835 р.
35 U253-120-047 Прижим шнура 92 р.
36 N000-022-591 Штифт
37 U353-115-041 Конденсатор 0,33мкф 92 р.
39 U009-628-RS0 Подшипник шариковый 628-2Z (24х8х8) 92 р.
40 N000-022-593 Шестерня третья ведущая 349 р.
41 N000-022-594 Шпиндель ведущий 577 р.
42 N000-022-595 Шестерня вторая ведомая 349 р.
43 N000-022-596 Шестерня большая 346 р.
44 UM06-001-008 Кольцо разжимное D15 #F 92 р.
45 U010-141-010 Подшипник игольчатый НК1010 (14х10х10) 199 р.
46 UM06-001-017 Кольцо разжимное D16 #F 92 р.
47 UM06-002-002 Кольцо стопорное сжимное D34 28 р.
48 N000-020-839 Кольцо стопорное D10 88 р.
50 N000-022-598 Шестерня первая ведущая 346 р.
51 N000-022-599 Шестерня ведомая 346 р.
52 N000-022-600 Шпиндель 708 р.
Найдено товаров: 53
1
▲ Наверх
0
8 (925) 663-83-63

Call-центр

пн-вс: 10:00-19:00

НАЙТИ ПО МОДЕЛИ
Введите номер заказа
Введите номер своего заказа, что бы узнать его текущий статус.
Что бы получить доступ к расширенным функциям, пройдите не сложную регистрацию. Зарегистрироваться