Магазин запчастей для бытовой техники - Arlos
Москва
close
Выберите ваш регион
АбаканАлександровАльметьевскАнгарскАрзамасАрмавирАртемАрхангельскАстраханьАчинскБалаковоБалашихаБеларусьБелгородБердскБерезникиБийскБлаговещенскБратскБрянскВеликий НовгородВидноеВладивостокВладикавказВладимирВолгоградВолгодонскВолжскийВологдаВолховВоркутаВоронежВоскресенскВыборгГатчинаГеленджикГрозныйДедовскДербентДзержинскДзержинскийДимитровградДмитровДолгопрудныйДомодедовоДонецкЕвпаторияЕгорьевскЕкатеринбургЕлецЕссентукиЖелезногорскЖелезнодорожныйЖуковскийЗеленоградЗлатоустИвановоИвантеевкаИжевскИркутскИстраЙошкар-ОлаКазаньКалининградКалугаКаменск-УральскийКамышинКаспийскКемеровоКерчьКировКисловодскКлинКовровКоломнаКомсомольск-на-АмуреКопейскКоролёвКостромаКотельникиКрасногорскКраснодарКраснознаменскКрасноярскКурганКурскКызылЛенинск-КузнецкийЛипецкЛобняЛыткариноЛюберцыМагнитогорскМайкопМалаховкаМахачкалаМиассМоскваМурманскМуромМытищиНабережные ЧелныНазраньНальчикНаро-ФоминскНахабиноНаходкаНевинномысскНефтекамскНефтеюганскНижневартовскНижнекамскНижний НовгородНижний ТагилНовокузнецкНовокуйбышевскНовомосковскНовороссийскНовосибирскНовоуральскНовочебоксарскНовочеркасскНовошахтинскНовый УренгойНогинскНорильскНоябрьскОбнинскОдинцовоОктябрьскийОмскОрелОренбургОрехово-ЗуевоОрскПавловский ПосадПензаПервоуральскПермьПетрозаводскПетропавловск-КамчатскийПодольскПрокопьевскПсковПушкиноПятигорскРаменскоеРеутовРостов-на-ДонуРубцовскРыбинскРязаньСакиСалаватСамараСанкт-ПетербургСаранскСаратовСевастопольСеверодвинскСеверскСергиев ПосадСерпуховСимферопольСмоленскСосновый БорСочиСтавропольСтарый ОсколСтерлитамакСтупиноСургутСызраньСыктывкарТаганрогТамбовТверьТихвинТольяттиТомилиноТомскТроицкТулаТюменьУлан-УдэУльяновскУссурийскУсть-ИлимскУфаУхтаФеодосияФрязиноХабаровскХанты-МансийскХасавюртХимкиЧебоксарыЧелябинскЧереповецЧеркесскЧеховЧитаШахтыЩелковоЭлектростальЭлистаЭнгельсЮжно-СахалинскЯкутскЯлтаЯрославль
  • - бесплатно по РФ
    Автоперезвон. Работает по принципу: Вы позвонили на номер, мы сбрасываем звонок и перезваниваем через 3 секунды.
  • - по Москве
  • 8 (925) 663-83-63

Call-центр

пн-вс: 10:00-19:00

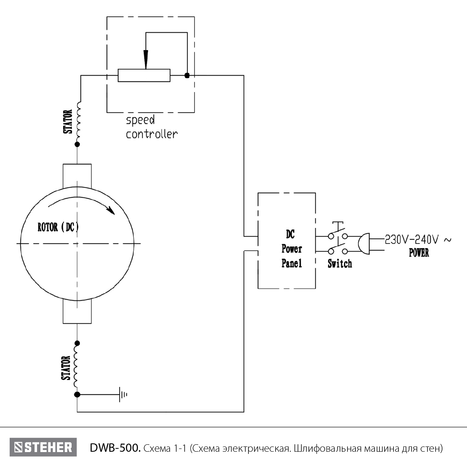
Бесщеточная шлифовальная машина для стен (жираф) DWB-500

Данная модель имеет несколько схем

NАртикулНазваниеСрок отгрузкиЦенаКупить
T10 U009-600-0RS Подшипник шариковый 6000-2RS (26х10х8) U009-600-0RS для пил ПД-55, ПЦ-2240 306 р.
1.09 U009-607-RS0 Подшипник шариковый 607 RS (19х7х6) U009-607-RS0 для болгарок УШМ-П125-850, AGS-125-1000 286 р.
3 N000-040-516 Платформа круглая
4 N000-040-459 Шайба фетровая
5 N000-040-460 Щетка передняя (короткая) нейлон
6 N000-040-461 Накладка передняя
6A N000-040-462 Щеткодержатель
6B N000-040-463 Накладка прозрачная
6C N000-040-515 Лента подсветки LED
7 N000-040-464 Корпус
8 V000-004-637 Контроллер
9 N000-040-466 Пластина
10 N000-040-467 Крышка платы
12 N000-040-468 Пружина
13 N000-040-469 Шпиндель
14 N000-040-470 Упор подшипника
15 N000-028-706 Подшипник шариковый 6001-2RS (28x12х8) CGXY 202 р.
17 N000-040-471 Крышка редуктора
18 U009-606-RS0 Подшипник шариковый 606-2Z (40х17х12) ZXBRS 92 р.
19 N000-040-472 Вал промежуточный
20 N000-040-473 Шестерня
21 N000-040-474 Корпус редуктора
23 N000-040-475 Крышка корпуса двигателя
24 N000-040-476 Ротор АД
25 N000-040-477 Статор АД
26 N000-009-109 Подшипник шариковый 698-2RS (19х8х6) Outdo 169 р.
27 N000-040-478 Щиток воздушный
28 N000-040-479 Крыльчатка
30 N000-040-480 Корпус двигателя
32 N000-040-481 Щетка (длинная) нейлон
37 N000-040-482 Шланг
40 N000-040-483 Шестерня большая
42 N000-040-484 Штифт D5х10
43 N000-040-485 Втулка
43A N000-040-486 Кольцо уплотнительное D10хd2.2
44_48 N000-040-487 Корпус в сборе левая и правая часть (EV44.48)
45 N000-040-488 Пружина кручения
46A N000-040-489 Шайба D6
47 N000-040-490 Шатун
50 N000-040-491 Адаптер 1
51 N000-040-492 Кольцо уплотнительное
52 N000-040-493 Труба нижняя
53_59 N000-040-494 Рукоятка средняя в сборе (левая и правая часть)
54 N000-040-495 Адаптер 2
55 V000-004-633 Блок питания
56 V000-004-634 Блок электронный защита по току
58 V000-006-408 Шнур сетевой H05VV-F PVC 2х0.75мм2 5м
60 N000-040-496 Накладка управления
61 N000-040-497 Накладка светодиода
62 N000-040-498 Фиксатор воздуховода
63 N000-040-499 Труба удлиннительная
64_65 N000-040-500 Рукоятка верхняя в сборе (левая и правая часть)
68 N000-040-501 Датчик Холла
69 N000-040-502 Сопротивление
70 N000-040-503 Фиксатор
71 N000-040-504 Элемент пружинный
72 N000-040-505 Прокладка редуктора
73 N000-040-506 Накладка передняя
75 N000-040-507 Крюк
77 N000-040-508 Штифт D5х15
78 N000-040-509 Рычаг фиксатора
79 UM05-001-001 Гайка M5 (автогровер) 92 р.
82 N000-040-510 Штифт D5х45
83 N000-040-511 Кольцо уплотнительное D36хd3.1
84 N000-040-512 Муфта соединительная в сборе (EV80.84)
85 N000-040-513 Труба алюминиевая
86 N000-040-514 Держатель кабеля
Найдено товаров: 67
1
▲ Наверх
0
8 (925) 663-83-63

Call-центр

пн-вс: 10:00-19:00

НАЙТИ ПО МОДЕЛИ
Введите номер заказа
Введите номер своего заказа, что бы узнать его текущий статус.
Что бы получить доступ к расширенным функциям, пройдите не сложную регистрацию. Зарегистрироваться