Магазин запчастей для бытовой техники - Arlos
Москва
close
Выберите ваш регион
АбаканАлександровАльметьевскАнгарскАрзамасАрмавирАртемАрхангельскАстраханьАчинскБалаковоБалашихаБеларусьБелгородБердскБерезникиБийскБлаговещенскБратскБрянскВеликий НовгородВидноеВладивостокВладикавказВладимирВолгоградВолгодонскВолжскийВологдаВолховВоркутаВоронежВоскресенскВыборгГатчинаГеленджикГрозныйДедовскДербентДзержинскДзержинскийДимитровградДмитровДолгопрудныйДомодедовоДонецкЕвпаторияЕгорьевскЕкатеринбургЕлецЕссентукиЖелезногорскЖелезнодорожныйЖуковскийЗеленоградЗлатоустИвановоИвантеевкаИжевскИркутскИстраЙошкар-ОлаКазаньКалининградКалугаКаменск-УральскийКамышинКаспийскКемеровоКерчьКировКисловодскКлинКовровКоломнаКомсомольск-на-АмуреКопейскКоролёвКостромаКотельникиКрасногорскКраснодарКраснознаменскКрасноярскКурганКурскКызылЛенинск-КузнецкийЛипецкЛобняЛыткариноЛюберцыМагнитогорскМайкопМалаховкаМахачкалаМиассМоскваМурманскМуромМытищиНабережные ЧелныНазраньНальчикНаро-ФоминскНахабиноНаходкаНевинномысскНефтекамскНефтеюганскНижневартовскНижнекамскНижний НовгородНижний ТагилНовокузнецкНовокуйбышевскНовомосковскНовороссийскНовосибирскНовоуральскНовочебоксарскНовочеркасскНовошахтинскНовый УренгойНогинскНорильскНоябрьскОбнинскОдинцовоОктябрьскийОмскОрелОренбургОрехово-ЗуевоОрскПавловский ПосадПензаПервоуральскПермьПетрозаводскПетропавловск-КамчатскийПодольскПрокопьевскПсковПушкиноПятигорскРаменскоеРеутовРостов-на-ДонуРубцовскРыбинскРязаньСакиСалаватСамараСанкт-ПетербургСаранскСаратовСевастопольСеверодвинскСеверскСергиев ПосадСерпуховСимферопольСмоленскСосновый БорСочиСтавропольСтарый ОсколСтерлитамакСтупиноСургутСызраньСыктывкарТаганрогТамбовТверьТихвинТольяттиТомилиноТомскТроицкТулаТюменьУлан-УдэУльяновскУссурийскУсть-ИлимскУфаУхтаФеодосияФрязиноХабаровскХанты-МансийскХасавюртХимкиЧебоксарыЧелябинскЧереповецЧеркесскЧеховЧитаШахтыЩелковоЭлектростальЭлистаЭнгельсЮжно-СахалинскЯкутскЯлтаЯрославль
  • - бесплатно по РФ
    Автоперезвон. Работает по принципу: Вы позвонили на номер, мы сбрасываем звонок и перезваниваем через 3 секунды.
  • - по Москве
  • 8 (925) 663-83-63

Call-центр

пн-вс: 10:00-19:00

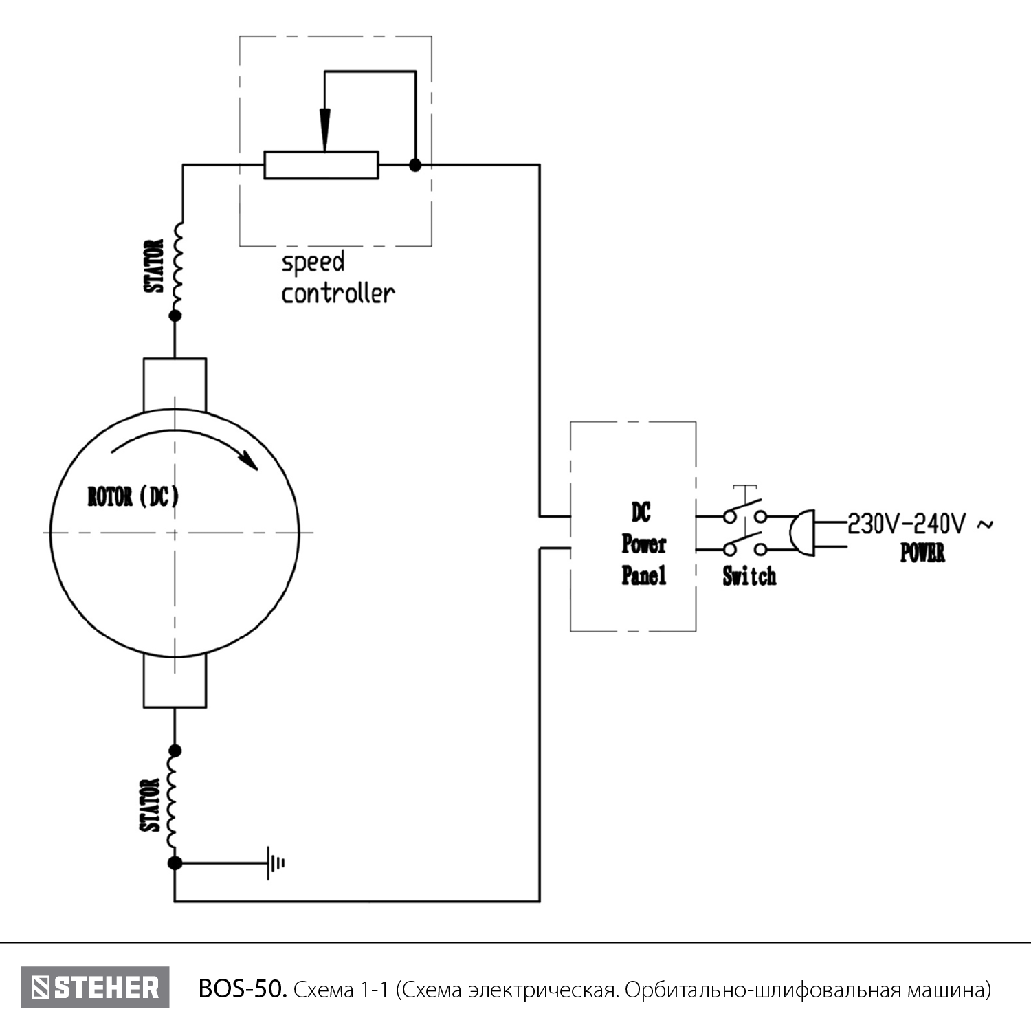
BOS-50 Duo бесщеточная орбитально-шлифовальная машина BOS-50

Данная модель имеет несколько схем

NАртикулНазваниеСрок отгрузкиЦенаКупить
T10 U009-600-0RS Подшипник шариковый 6000-2RS (26х10х8) U009-600-0RS для пил ПД-55, ПЦ-2240 306 р.
1 N000-040-410 Основание D150
2 N000-040-411 Прокладка тормозная
3 N000-040-412 Прокладка
4 N000-040-413 Корпус двигателя
5 N000-040-414 Шпиндель
6 N000-040-415 Шайба D20хd12х1
7 N000-040-416 Прокладка резиновая D20хd12х1.5
8 N000-040-417 Кольцо стопорное D28
10 N000-040-434 Противовес
11 N000-040-419 Крыльчатка
13 N000-040-420 Корпус подшипника 6000 D33хd26х10.5
14 N000-040-421 Ротор АД
15 N000-040-422 Статор АД
16 N000-009-109 Подшипник шариковый 698-2RS (19х8х6) Outdo 169 р.
17 V000-004-627 Плата электронная датчика Холла
18 N000-040-423 Магнит цилиндрический D3х3
19 N000-040-424 Рычаг включения
22_31 N000-040-425 Корпус в сборе левая и правая часть (EV22.31)
23 N000-040-426 Пружина рычага включения
25 N000-040-427 Накладка
26 N000-040-428 Линза
27 V000-006-407 Шнур сетевой H05RN-F Rubber 2Gх0.75мм2 6м
28 V000-004-628 Блок электронный регулятор оборотов
29 V000-004-629 Блок плавного пуска с защитой от перегрузки
30 N000-040-429 Патрубок пылеотвода
35 N000-040-430 Переходник к пылесосу 1
36 N000-040-431 Переходник к пылесосу 2
39 N000-040-432 Прокладка фетровая 17х19.5х8
40 N000-040-433 Втулка кнопки
Найдено товаров: 30
1
▲ Наверх
0
8 (925) 663-83-63

Call-центр

пн-вс: 10:00-19:00

НАЙТИ ПО МОДЕЛИ
Введите номер заказа
Введите номер своего заказа, что бы узнать его текущий статус.
Что бы получить доступ к расширенным функциям, пройдите не сложную регистрацию. Зарегистрироваться