Магазин запчастей для бытовой техники - Arlos
Москва
close
Выберите ваш регион
АбаканАлександровАльметьевскАнгарскАрзамасАрмавирАртемАрхангельскАстраханьАчинскБалаковоБалашихаБеларусьБелгородБердскБерезникиБийскБлаговещенскБратскБрянскВеликий НовгородВидноеВладивостокВладикавказВладимирВолгоградВолгодонскВолжскийВологдаВолховВоркутаВоронежВоскресенскВыборгГатчинаГеленджикГрозныйДедовскДербентДзержинскДзержинскийДимитровградДмитровДолгопрудныйДомодедовоДонецкЕвпаторияЕгорьевскЕкатеринбургЕлецЕссентукиЖелезногорскЖелезнодорожныйЖуковскийЗеленоградЗлатоустИвановоИвантеевкаИжевскИркутскИстраЙошкар-ОлаКазаньКалининградКалугаКаменск-УральскийКамышинКаспийскКемеровоКерчьКировКисловодскКлинКовровКоломнаКомсомольск-на-АмуреКопейскКоролёвКостромаКотельникиКрасногорскКраснодарКраснознаменскКрасноярскКурганКурскКызылЛенинск-КузнецкийЛипецкЛобняЛыткариноЛюберцыМагнитогорскМайкопМалаховкаМахачкалаМиассМоскваМурманскМуромМытищиНабережные ЧелныНазраньНальчикНаро-ФоминскНахабиноНаходкаНевинномысскНефтекамскНефтеюганскНижневартовскНижнекамскНижний НовгородНижний ТагилНовокузнецкНовокуйбышевскНовомосковскНовороссийскНовосибирскНовоуральскНовочебоксарскНовочеркасскНовошахтинскНовый УренгойНогинскНорильскНоябрьскОбнинскОдинцовоОктябрьскийОмскОрелОренбургОрехово-ЗуевоОрскПавловский ПосадПензаПервоуральскПермьПетрозаводскПетропавловск-КамчатскийПодольскПрокопьевскПсковПушкиноПятигорскРаменскоеРеутовРостов-на-ДонуРубцовскРыбинскРязаньСакиСалаватСамараСанкт-ПетербургСаранскСаратовСевастопольСеверодвинскСеверскСергиев ПосадСерпуховСимферопольСмоленскСосновый БорСочиСтавропольСтарый ОсколСтерлитамакСтупиноСургутСызраньСыктывкарТаганрогТамбовТверьТихвинТольяттиТомилиноТомскТроицкТулаТюменьУлан-УдэУльяновскУссурийскУсть-ИлимскУфаУхтаФеодосияФрязиноХабаровскХанты-МансийскХасавюртХимкиЧебоксарыЧелябинскЧереповецЧеркесскЧеховЧитаШахтыЩелковоЭлектростальЭлистаЭнгельсЮжно-СахалинскЯкутскЯлтаЯрославль
  • - бесплатно по РФ
    Автоперезвон. Работает по принципу: Вы позвонили на номер, мы сбрасываем звонок и перезваниваем через 3 секунды.
  • - по Москве
  • 8 (925) 663-83-63

Call-центр

пн-вс: 10:00-19:00

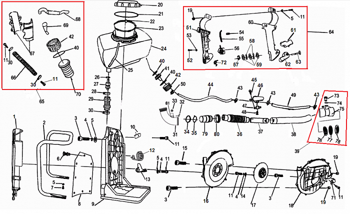
2 БАК - УЛИТКА - КРЫЛЬЧАТКА ОПРЫСКИВАТЕЛЬ-РАСПЫЛИТЕЛЬ CHAMPION PS257

NАртикулНазваниеСрок отгрузкиЦенаКупить
1 02050060010 Ремень подвеса 5-7 рабочих дней 258 р.
2 02010030008 Рама 5-7 рабочих дней
3 03010040057 Болт М5х20 5-7 рабочих дней
4 03050010015 Шайба 5 5-7 рабочих дней
5 03040020020 Шайба 5 5-7 рабочих дней
6 02110030174 Клипса 5-7 рабочих дней 11 р.
7 03010040031 Винт 3,5х19 5-7 рабочих дней
8 02050060034 Задняя спинка 5-7 рабочих дней 237 р.
9 70030180327 Корпус 5-7 рабочих дней
10 02020160618 Плата корпуса 5-7 рабочих дней
11 03010010022 Болт М5х20 5-7 рабочих дней
12 02020110019 Виброизолятор 5-7 рабочих дней 45 р.
12 02020110019 Виброизолятор 5-7 рабочих дней 45 р.
13 02020160051 Суппорт виброизолятора 5-7 рабочих дней
14 03040030002 Шайба 5 5-7 рабочих дней
15 03010060090 Болт М5х50 5-7 рабочих дней
16 70030010028 Корпус крыльчатки левая 5-7 рабочих дней 1.024 р.
17 70030090004 Крыльчатка 5-7 рабочих дней 830 р.
18 70030010033 Корпус крыльчатки правая 5-7 рабочих дней 1.790 р.
19 03030010013 Гайка М5 5-7 рабочих дней
20 70030060160 Крышка бака для химикатов 5-7 рабочих дней 119 р.
21 02070020040 Кольцо уплотнительное крышки 5-7 рабочих дней 156 р.
22 70030180032 Пробка трубки 5-7 рабочих дней 16 р.
23 70030170004 Фильтр сетчатый бака 5-7 рабочих дней 206 р.
24 70050040011 Бак для химикатов 5-7 рабочих дней 1.454 р.
25 02110030033 Трубка бака 5-7 рабочих дней 429 р.
26 03110020022 Кольцо уплотнительное 5-7 рабочих дней
27 70030020018 Адаптер трубки бака 5-7 рабочих дней 66 р.
28 02020040026 Хомут 22-38 5-7 рабочих дней
29 02080020011 Трубка гофрированная 5-7 рабочих дней 125 р.
30 02020040026 Хомут 22-38 5-7 рабочих дней
31 70050010048 Колено U-образное к трубе 5-7 рабочих дней 313 р.
32 70030180023 Шплинт 5-7 рабочих дней
33 70030030048 Заслонка 5-7 рабочих дней
34 02020040025 Хомут 64-67 5-7 рабочих дней
35 02020040031 Зажим 5-7 рабочих дней
36 70050010044 Труба-гофра 5-7 рабочих дней 340 р.
37 70050010042 Труба №1 к гофре 5-7 рабочих дней 246 р.
38 70050010023 Труба длинная 5-7 рабочих дней 257 р.
39 61290120003 Сопло комплект 5-7 рабочих дней 330 р.
40 02070020026 Прокладка уплотнительная 5-7 рабочих дней
41 70030180004 Штуцер 5-7 рабочих дней
42 70030060048 Крышка штуцера 5-7 рабочих дней
43 02020040005 Хомут 5-7 рабочих дней
44 01040030011 Пластиковая трубка 1 5-7 рабочих дней 78 р.
45 03010030002 Болт М5х12 5-7 рабочих дней
46 02050190018 Кран 5-7 рабочих дней 64 р.
47 02020160352 Суппорт крана 5-7 рабочих дней
48 70070030022 Болт М4х12 5-7 рабочих дней 590 р.
49 01040030011 Пластиковая трубка 2 5-7 рабочих дней 78 р.
50 02020040003 Хомут 5-7 рабочих дней
51 70030070358 Рукоятка правая половина 5-7 рабочих дней
52 02050150039 Винт 3х16 5-7 рабочих дней
53 70080010026 Шайба 5-7 рабочих дней
54 70030180154 Штифт 5-7 рабочих дней
55 02050050065 Контакты выключателя 5-7 рабочих дней
56 70030070105 Выключатель 5-7 рабочих дней 16 р.
57 03120030003 Зажим 5-7 рабочих дней
58 03040050001 Шайба 5-7 рабочих дней
59 03040010012 Шайба 5-7 рабочих дней
60 70030070359 Рукоятка левая половина 5-7 рабочих дней
61 70030070134 Курок газа 5-7 рабочих дней 66 р.
62 70030070158 Фиксатор рычага газа 5-7 рабочих дней 111 р.
63 02020160350 Ось фиксатора 5-7 рабочих дней
64 70080080116 Рукоятка управления комплект 5-7 рабочих дней 1.241 р.
64 70080080116 Рукоятка управления комплект 5-7 рабочих дней 1.241 р.
65 70080110019 Комплект для бака химикатов 5-7 рабочих дней 180 р.
66 01040030002 Шланг гофрированный 5-7 рабочих дней
67 70050010045 Воздуховод 5-7 рабочих дней 99 р.
68 70050010046 Трубка горизонтальная 5-7 рабочих дней
69 70050010047 Трубка вертикальная 5-7 рабочих дней
70 70030100005 Соединитель 5-7 рабочих дней
71 02020040007 Зажим 5-7 рабочих дней
72 020200110018 Пружина рычага газа 5-7 рабочих дней
73 70030130001 Регулятор сопла 5-7 рабочих дней
74 03110020005 Кольцо уплотнительное 5-7 рабочих дней
75 70030080001 Сопло 5-7 рабочих дней 184 р.
76 70030080016 Распылитель сопла (тип 1) 5-7 рабочих дней
77 61290120003 Распылитель сопла (тип 2) 5-7 рабочих дней 330 р.
78 61290120003 Распылитель сопла (тип 3) 5-7 рабочих дней 330 р.
79 70030180310 Соединитель гофры и колена 5-7 рабочих дней 134 р.
80 02080020026 Кольцо уплотнительное 5-7 рабочих дней
81 03060020010 Штифт 1х8 5-7 рабочих дней
Найдено товаров: 83
1
▲ Наверх
0
8 (925) 663-83-63

Call-центр

пн-вс: 10:00-19:00

НАЙТИ ПО МОДЕЛИ
Введите номер заказа
Введите номер своего заказа, что бы узнать его текущий статус.
Что бы получить доступ к расширенным функциям, пройдите не сложную регистрацию. Зарегистрироваться